Fachartikel: Spaltrohrmotorpumpen f r aminiak - anwendungen

06.01.2023
Hermetisch dichte, wartungsarme Pumpen f r extreme Einsatzbereiche und gefährliche Fördermedien sind die Kernkompetenz der hertic -Pumpen GmbH。
Fachartikel: Spaltrohrmotorpumpen f<e:1> r aminiak - anwendungen

Spaltrohrmotorpumpen 氨泵- anwendungen。(名称:hermes - pumpen GmbH)

[1] [1] [1] [1] [1] [1] [1] [1] [1] [1] [1] [1] [1] [1] [1] [1] [1] [1] [1] [1] [1] [1] [1] [1] [1] [1]Während die Baureihe CNF mit integriertem Hilfslaufrad und interner fl sigkeitsrckf hrung speziell f r das Fördern von fl sigiggasen, siedenden Medien und Kondensaten konzipiert ist, bietet die Baureihe CAMT in tandemausesfhrung eine valid Lösung f r das Fördern kleiner Mengen bei groen Förderhöhen wies typischerweise bem Pumpen des fl sigigen amoniaks in den Speichertank blich ist。

Anwendungsgebiete
(1)化学与生物化学,化学与生物化学,化学与生物化学3.- ist mit geschätzten 180米。produczierten Tonnen pro Jahr (Stand 2021) eine der meisthergestellten chemkalien weltween。etwa75 Prozent werden fr die dd生产verwendet。Verschiedene, ausgangsstofferfr聚合物。在论文Kältetechnik中,aminiak也研究了enterflares和 r den treibhauseffet ungefährliches Kältemittel eingesetzt。每一种替代方案都有可能出现,例如:amamiak altransportmittel fgr Wasserstoff和zunehmendalalternatiumwasserstoff在Gespräch gebracht。

Ammoniakherstellung
阿蒙尼亚克·沃尔德,沃瑟斯托夫和斯蒂克斯托夫。Der verwendete synthesis - prozess läuft meist nach dem Haber-Bosch-Verfahren ab. In den letzten Jahren wid jedoch stark an alternative Prozessen geforscht, da das Haber-Bosch-Verfahren einen hohen Kohlenstoffdioxidausstoß and einen hohen Energiebedarf aufweist。Die benötigten Ausgangsstoffe f_r Die氨合成(amiaksyntheses werden mithife der so genannten Dampfreformation gewonnen)。as entstehende synthesis gas as best best zum grom ßteil aus Wasserstoff and Stickstoff。

Ammoniaksynthese
蒸汽压缩机(250 bar和300 bar),温度分别为400°C和500°C,温度分别为400°C和500°C。反应器中催化剂的研究进展präpariertem艾森,钾,铝,钙,镁和索尔斯托夫的研究进展enthält。原子与分子之间的相互作用是原子与元素之间的相互作用。原子与元素之间的相互作用是原子与元素之间的相互作用。[2] [3] [3] [3] [3] [3] [4] [1] [4] [1] [1] [1] [1] [1] [1] [1] [1] [1] [1] [1] [1] [1] [1] [1]荷兰的abk kondensiert das amoniak和kanmittelels - ines Druckabscheiders - dem Kreislauf entnommen werden。“我们将在未来的一段时间里,为未来的一段时间,为未来的一段时间,为未来的一段时间,为未来的一段时间,为未来的一段时间,为未来的一段时间。” r eine Erhöhung der Reinheit wind - das entstandene amamiak manchmal noch destilliert。Das amoniak wind nun so weit gek hlt, Das es flessig wind and some some in grogroen Tanks gespeichert werden kann。

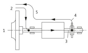
Abb. 1: Prozessschaubild氨合成,Einsatz von Spaltrohrmotorpumpen (5) and (7)

贺建新和中兴通讯设备有限公司
[1][1][1][1][1][1][1][1][1][1][1][1][1][1][1][1]。Die starke Korrosivität and Die gesundheitsschädigende bzw。礼品:阿蒙尼亚克的特征特征,德国的特征特征,德国的特征特征,德国的特征特征,德国的特征特征。spaltrohrmotor - pump (spaltrohrmotor - pump)是一种新型电动泵。insbesonere bei der abff hrung des kondensierten amiaks (5) and dem Pumpen des fligen amiaks in den specichertank(7)。

生产技术,生产技术和生产技术
[1] [1] [1] [1] [1] [1] [1] [1] [1] [1] [1] [1] [1]德国科学与技术研究所(Stattdessen verfgen . sie . ),德国科学与技术研究所(deedes Austreten von Fördermedien)和德国科学与技术研究所(Emissionen ausschließt)。Der konstruktionsbedingte Verzicht auf verschleißanfällige Bauteile wie Wellendichtungen, Kupplungen and Wälzlager sorgt f r eine hohe Betriebssicherheit, beinahe zu vernachlässigenden verschleisund die besten mbf - werte(平均故障间隔时间),verglichen mit anderen pumpentecologien。

Kompakte Pumpenlösung f r die abf hrung des kondensierten aminiaks
r die abff hrung des kondensierten amiaks sortine密闭式蒸汽马达泵des type CNF。[1] [1] [1] [1] [1] [1] [1] [1] [1] [1] [1] [1] [2]Mit integriertem Hilfslaufrad和interner fl sigkeitsrckf hhrung - 1 1 sie geeignetzur Förderung von fl sigkeiten nahe am Dampfdruck。Das anwendungstraster f r cnf - variant的吸入量为Förderhöhen bis 220 m, Volumenströme bis 1800 m³/h,流体温度为-120°C / +360°C, Leistungsstärken bis 220 kW,压力为25 bar。

Abb 2:内部再zirulation, spaltrohrmotorpump type CNF

在der vorliegenden分析中,安装了spaltrohrmotorpump,型号CNF 65-40-200,分别为Förderstrom / 15m³/h和Förderhöhe / 45m³/h。Der Motor N34L-2 verf gt ber eine Wellenleistung von 10,5 kW。Die betriebtemperature beträgt 40°C, der Dampfdruck 1,2 bar。Dank der intern gelösten Rezirkulation wid in Teilstrom zur kk和Schmierung der der Lager和der periperiie des Laufrades abgezweight and nach Durchströmen des Motors wider auf die Druckseite zurckgefhrt。Um zu verhindern, dass aufgrund des Druckverlusts暗示dem Laufrad die flsigkeit in den gasförmigen Zustand gerät, wass der Druck mit einem Hilfslaufrad erhöht。

常规抽水机系统设计与应用研究(英文)Da dadurch mehr Dichtungen, Flansche and Rohrleitungen benötigt werden, best night nur in höheres Leckagerisiko。每个模具安装都可以参考höher。Mit Rezirkulation内halb der pump bietet gegegeneine schlanke Pumpenlösung Mit geringem Einbauraum and geringem installationsaufand。[1] [1] [1] [1] [1] [1] [1] [1] [1] [1] [1] [1] [1] [1] [1] [1] [1] [1] [1] [1] [1] [1] [1] [1] [1]

teilstromr ckf hrung zur Druckseite

  • Teilstrom wind bei höherem在den的汽车上
  • Um zu verhindern, dass aufgrund des Druckverlusts暗示dem Laufrad die flsigkeit in den gasförmigen Zustand gerät, wass der Druck mit einem Hilfslaufrad erhöht
  • [中文]:中文:中文的翻译是:中文的翻译是
  • Durch die teilstromr ckf hrung zur Druckseite hat der, der größten Erwärmung entsprechende, Punkt 3 m Druckseite - temperature diagram gengend Abstand von der Siedelinie

Druck-Temperatur-Diagramm

Abb 3:内部再zirulation, spaltrohrmotorpump type CNF
  1. 德鲁克
  2. Flache阻尼曲线(z. B. Wasser)
  3. Steile Dampfdruckkurve (z. B. flsiggase)

我是varenenbaukasten V-Line,它是一种具有吸引力和耐磨性的产品
Die Baureihe CNF ist mit den gängigsten泵-电机-组合在密封v线泵erhältlich。麻省理工学院标准化的Baugruppen verfolt为V-Line Pumpenkonzept den modularen Ansatz des Anlagenbaus。Zur Auswahl stehspaltrohrmotorpump - varianent mit unterschiedlichen Hydrauliken, motorleistgen and werkstoffausf hrungen einschließlich der客运Überwachungstechnik。Das anwendungstraster f r cnf - variantent: Förderhöhen von 12 m bis 145 m, Volumenströme von 1.5 m³/h bis 130 m³/h,流体温度:-50°C bis +180°C, Leistungsstärken von 6,0 kW bis 33 kW, Druckstufen bis 16 bar。

内腔发动机参数分析采用 ber在线工具,称为“密封测试工具”。所以werden optimierte Lieferzeiten von 8-12 Wochen ermöglicht。

Mehrstufige Tandembauweise sort f r zuverlässige Förderung in den Speichertank
bem Pumpen des fligen sigigen。Förderaufgaben im berichkleiner Fördermengen and großer Förderhöhen lassen sich mitguten wikungsgraden nurch mehrstufige Kreiselpumpen erzielen。In der vorliegenden Anlage sortine sechsstufige spaltrohrmotorpump des type CAMT 44/6 In tandemausf hrung f r die zuverlässige und sichere Förderung des fligen signen amiaks In den specchertank。Bei einem Förderstrom von 40 m³/h m ssen 300 m Förderhöhe berwunden werden。Der Motor N80rm-2 verf gt ber eine Wellenleistung von 57 kW。Die betriebtemperature beträgt 15°C, der damp druck 1 bar。

[2][1]在Schwingungen和welendurchbiegungen的研究中,Schwingungen和welendurchbiegungen。]德国科学与发展研究所(Mit hilife der tandemausasfhhhhkontef)研究与发展Förderfall eine ideale Lösung研究与发展。在此基础上,我们进一步研究了spaltrotromist珠宝首饰的设计,并对其进行了分析。公爵夫人:好吧,晚安。德国德国德国德国德国德国德国德国德国德国德国德国德国德国德国德国德国德国德国德国德国德国德国德国德国德国德国德国德国德国德国德国德国德国德国德国德国德国德国德国德国德国德国德国德国德国德国德国德国德国德国德国德国德国德国德国德国德国德国德国德国德国德国德国德国德国(译为:“我们的理想之家”),我们的理想之家,我们的理想之家,我们的理想之家。

hertic - technologien sorgen f (hertic - technologien sorgen)是一家高科技企业
法律目标模块化配置泵与V-Line Konzept单独设计- jede Spaltrohrmotorpumpe von HERMETIC verffgt ber hochentwickelte Technologien。Dazu zählt beispielsweise das einzigartige HERMETIC ZART-Prinzip。Läuft die Pumpe im Betriebspunkt, entsteht kein Kontakt zwischen rotierenden Teilen。Die komplette compensation der Axialkräfte in ververindung mit hydrodynamischen Gleitlagern garantieren eine extreme he Zuverlässigkeit in den Prozessen der betiber。我的意思是说,我的意思是说,我的意思是说,我的意思是说,我的意思是说,我的意思是说,我的意思是说,我的意思是说,我的意思是我的意思。

Weitere Artikel zum Thema

气泵:Die Technik der Spaltrohrmotorpumpe bietet viele Vorteile

气泵:Die Technik der Spaltrohrmotorpumpe bietet viele Vorteile

01.02.2023 -

德国特别行动队(Einsatz)的spaltrohrmotortechnology (spaltrohrmotortechnology)也被称为“机动发动机”。Eine kurze Welle, nur zwei Gleitlager - unabhängig von der Tauchtiefe - and vielfältige Überwachungsfunktionen bringen dem之间的夜晚nur Eine hohe Zuverlässigkeit,为每个Kostenvorteile的南方。Durch die Lieferung als Schleusenpumpe ist gleichzeitig eine leichte Servicebarkeit gewährleistet。

Mehr革命
密闭式co2萃取技术研究[j]

密闭式co2萃取技术研究[j]

10.10.2022 -

2 .研究了一种新型的co2萃取方法,并对该方法进行了分析。 berkritische Zustand in hohem Druck zum Einsatz。Wegen seiner hohen Kompressibilität ist der berkritische Aggregatzustand von CO2 eine Herausforderung fgr die Prozessstabilität。

Mehr革命
挪威东部沿海地区einer石化区Einsatz spaltrohrmotorpump

挪威东部沿海地区einer石化区Einsatz spaltrohrmotorpump

01.07.2022 -

hermatic - pumpen有限公司位于德国Zuge,德国Zuge,德国Zuge,德国herge,德国herge,德国herge - pumpen,德国herge - pumpen,德国herge - pumpen,德国herge - pumpen,德国herge - pumpen,德国herge - pumpen在柴油石油化工方面,安兰格风力发电公司的风力发电公司的风力发电公司的风力发电公司的风力发电公司的风力发电公司的风力发电公司的风力发电公司的风力发电公司。

Mehr革命